Khóa cửa tủ công nghiệplà thành phần bảo vệ chính của tủ phân phối, tủ thông tin liên lạc, hộp điều khiển và các thiết bị khác, liên quan trực tiếp đến sự an toàn của các bộ phận điện bên trong và sự vận hành ổn định của hệ thống.
Để đáp ứng các yêu cầu đa dạng về thời gian giao hàng và thông số kỹ thuật cho các dự án khác nhau, công ty chúng tôi luôn có sẵn 5 loại khóa thông dụng trong kho --Khóa thanh dài, Khóa bảng điều khiển, Khóa điều khiển thanh, Khóa tay cầm,Khóa lưỡi quay. Đồng thời, chúng tôi hỗ trợ mọi loại khóa phi tiêu chuẩn được tùy chỉnh theo bản vẽ hoặc mẫu, hoàn toàn phù hợp cho các loại hộp phân phối kim loại.
Khóa phẳng là một trong những loại khóa cửa tủ công nghiệp phổ biến nhất, vừa đẹp vừa dễ bảo trì. Công ty chúng tôi đã cho ra mắt khóa mặt phẳng dòng AB301, AB302, AB303, AB402, AB403, về độ bền kết cấu, hiệu suất bảo vệ và cảm giác vận hành của thiết kế khác biệt, có thể đáp ứng các thông số kỹ thuật khác nhau của hộp phân phối, yêu cầu lắp đặt tủ điều khiển.
| Kích thước | Số sản phẩm | |||||||
| L1 | L2 | L3 | B1 | B2 | Mạ crom màu xám | Sơn phun màu xám | Sơn tĩnh điện màu đen | Trọng lượng (g) |
| 147 | 117 | 72 | 33 | 26.5 | AB301-1-1.2 | AB301-1-1.8 | AB301 | 370 |
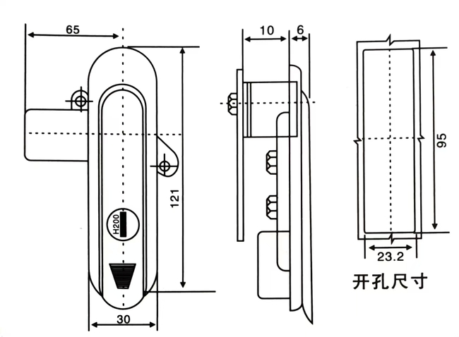
| 120.5 | 95.5 | 65 | 30 | 23.5 | AB301-2-1.2 | AB301-2-1.8 | AB302 | 290 |
| 87.5 | 62.5 | 65 | 28.5 | 23.5 | AB301-3-1.2 | AB301-3-1.8 | AB303 | 215 |
Chất liệu chính: hợp kim kẽm.
Xử lý bề mặt: chrome sáng, mờ, đen.
Chức năng và cách sử dụng: Thực hiện việc mở cửa trái và phải, dễ sử dụng, có chức năng bịt kín và chống thấm nước.
Chất liệu chính: hợp kim kẽm.
Xử lý bề mặt: chrome sáng, mờ, đen.
Chức năng và cách sử dụng: Thực hiện việc mở cửa trái và phải, dễ sử dụng, có chức năng bịt kín và chống thấm nước.
Chất liệu: Thân khóa hợp kim kẽm, trục quay, bu lông thép mạ kẽm, tấm chịu lực.
Xử lý bề mặt: phun nano màu xám bạc.
Mô tả cấu trúc: Xoay 90 độ để mở hoặc khóa.
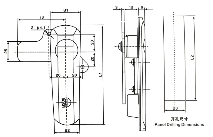
| NGƯỜI MẪU | L1 | L2 | L3 | B1 | B2 | B3 |
| AB402-A MỚI | 123 | 95.5 | 65 | 36.5 | 30 | 23.5 |
| AB403-A MỚI | 91 | 62.5 | 65 | 33 | 28.5 | 23.5 |
| AB401-A MỚI | 151 | 117 | 72 | 36 | 30 | 26.5 |
